08:53:36 - 16.04.2026
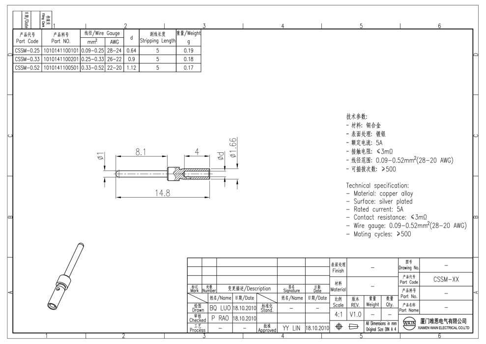
Расчетный ток (А): 5
Вид покрытия: Посеребренный
Тип: Контакт-штырь
Артикул: CSSM-0.52
Зарегистрировавшись на сайте www.kb-raskat.ru и получив доступ в Личный кабинет, пользователь может получить дополнительные возможности по обслуживанию.