07:34:03 - 30.04.2026
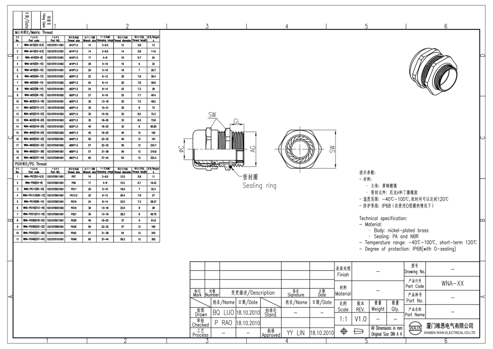
Степень защиты: IP68
Материал: Никелированная латунь
Вид резьбы: M18
Артикул: WNA-M18(D5-10)
Зарегистрировавшись на сайте www.kb-raskat.ru и получив доступ в Личный кабинет, пользователь может получить дополнительные возможности по обслуживанию.