07:33:31 - 30.04.2026
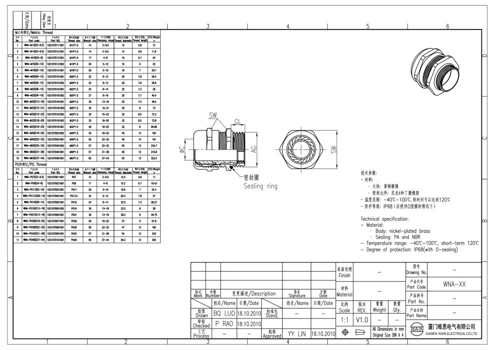
Степень защиты: IP68
Материал: Никелированная латунь
Вид резьбы: M14
Артикул: WNA-M14(D3-6.5)
Зарегистрировавшись на сайте www.kb-raskat.ru и получив доступ в Личный кабинет, пользователь может получить дополнительные возможности по обслуживанию.