01:20:52 - 16.04.2026
Тип: Розетка
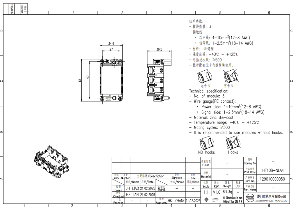
Материал: Металл
Типоразмер: 10B
Артикул: HF10B-NLA4
01:20:53 - 16.04.2026
Зарегистрировавшись на сайте www.kb-raskat.ru и получив доступ в Личный кабинет, пользователь может получить дополнительные возможности по обслуживанию.