Материал: Пластик
+7 495 258-7166
Заказать звонок
- Москва: +7 495 258-7166
- Псков: +7 8112 290-490
- Санкт-Петербург: +7 812 449-3744
- Екатеринбург: +7 343 253-0299
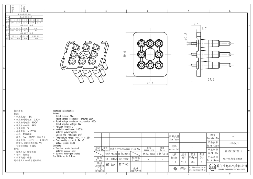
Переходник для печатных плат APT-Q8 1980020070011
Компания WAIN расширяет модельный ряд соединителей для печатных плат. Соединители серии VME 64X и серии DIN41612 уже доступны для заказа. Полный каталог вы сможете найти на нашем сайте.