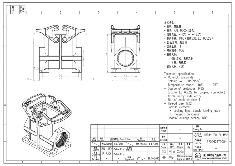
Корпус соединителя - блочная часть H6B.P-SFH-2L-M32 1170062475004
+7 495 258-7166
Заказать звонок
Компания WAIN расширяет модельный ряд соединителей для печатных плат. Соединители серии VME 64X и серии DIN41612 уже доступны для заказа. Полный каталог вы сможете найти на нашем сайте.