Файлы: 12109032
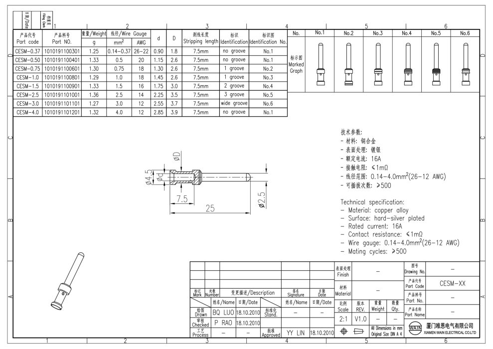
Расчетный ток (А): 16
Вид покрытия: Посеребренный
Тип: Контакт-штырь
Войдите в аккаунт, чтобы скачать файлы документации
Файлы: 12109032
Расчетный ток (А): 16
Вид покрытия: Посеребренный
Тип: Контакт-штырь
Войдите в аккаунт, чтобы скачать файлы документации