12:13:34 - 22.04.2026
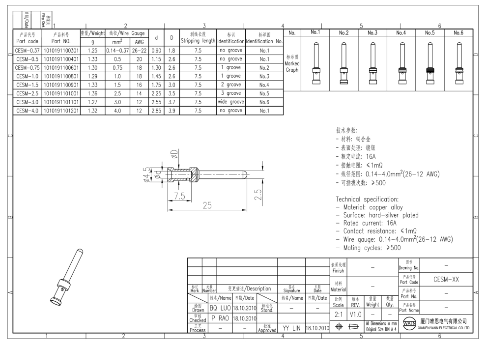
Расчетный ток (А): 16
Вид покрытия: Посеребренный
Тип: Контакт-штырь
Артикул: CESM-0.37
Зарегистрировавшись на сайте www.kb-raskat.ru и получив доступ в Личный кабинет, пользователь может получить дополнительные возможности по обслуживанию.