12:28:14 - 22.04.2026
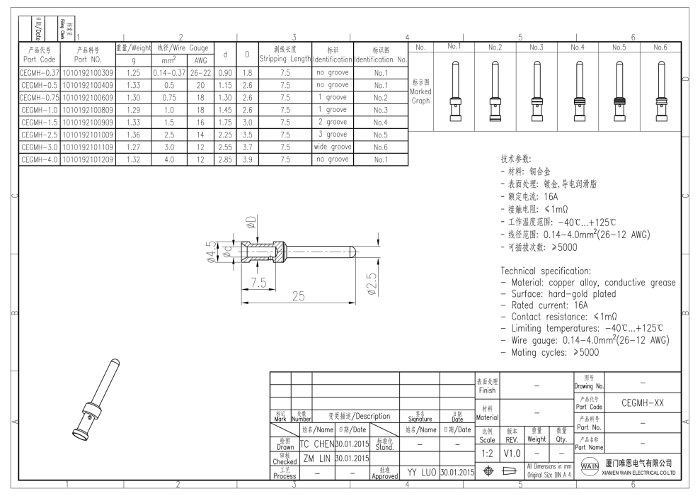
Расчетный ток (А): 16
Вид покрытия: Позолоченный
Тип: Контакт-штырь
Артикул: CEGMH-3.0
Зарегистрировавшись на сайте www.kb-raskat.ru и получив доступ в Личный кабинет, пользователь может получить дополнительные возможности по обслуживанию.