12:12:31 - 22.04.2026
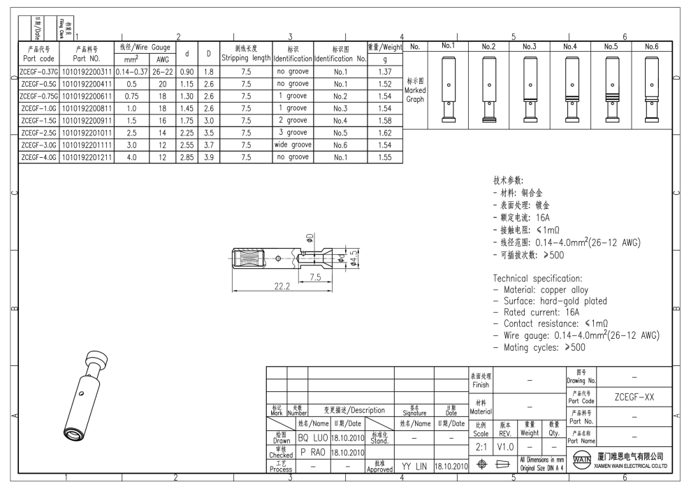
Расчетный ток (А): 16
Вид покрытия: Позолоченный
Тип: Контакт-гнездо
Артикул: ZCEGF-2.5G
Зарегистрировавшись на сайте www.kb-raskat.ru и получив доступ в Личный кабинет, пользователь может получить дополнительные возможности по обслуживанию.