Файлы: 12109036
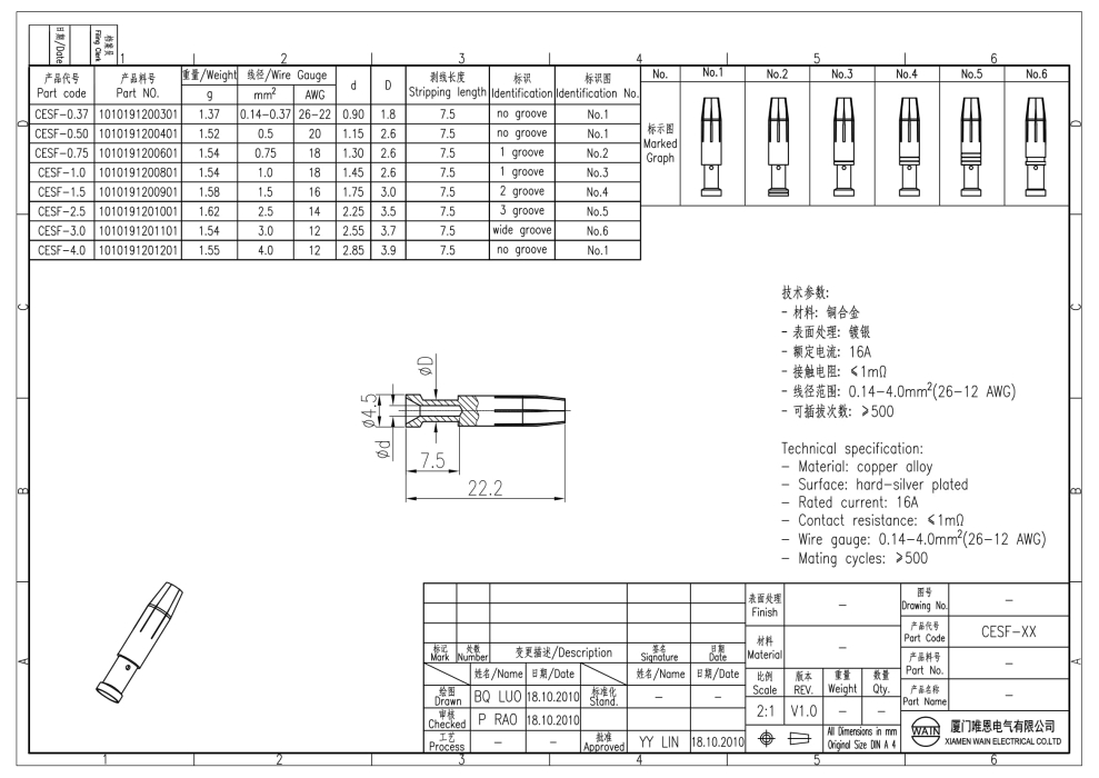
Расчетный ток (А): 16
Вид покрытия: Посеребренный
Тип: Контакт-гнездо
Войдите в аккаунт, чтобы скачать файлы документации
Файлы: 12109036
Расчетный ток (А): 16
Вид покрытия: Посеребренный
Тип: Контакт-гнездо
Войдите в аккаунт, чтобы скачать файлы документации