10:09:42 - 20.04.2026
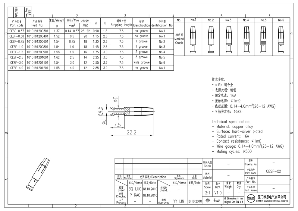
Расчетный ток (А): 16
Вид покрытия: Посеребренный
Тип: Контакт-гнездо
Артикул: CESF-0.75
Зарегистрировавшись на сайте www.kb-raskat.ru и получив доступ в Личный кабинет, пользователь может получить дополнительные возможности по обслуживанию.