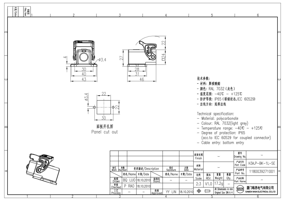
Корпус соединителя - блочная часть H3A.P-BK-1L-SE 1180039271001
+7 495 258-7166
Заказать звонок
Компания WAIN расширяет модельный ряд соединителей для печатных плат. Соединители серии VME 64X и серии DIN41612 уже доступны для заказа. Полный каталог вы сможете найти на нашем сайте.