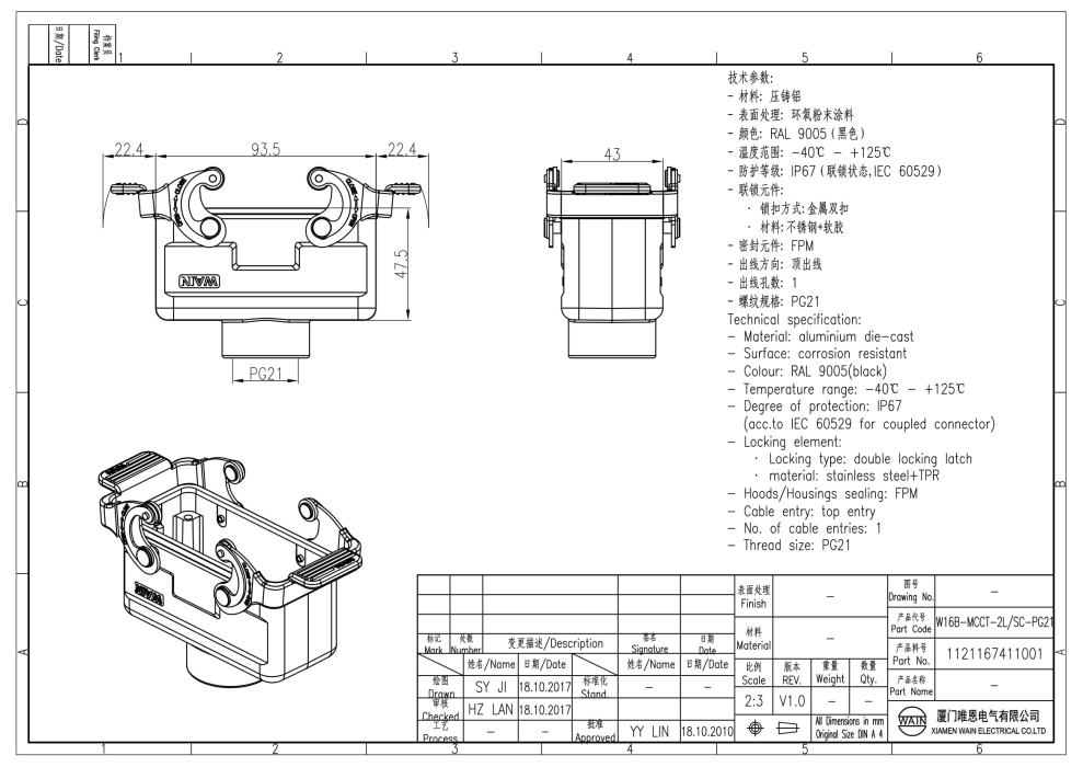
Корпус соединителя - кабель-кабель W16B-MCCT-2L/SC-PG21 1121167411001
+7 495 258-7166
Заказать звонок
Компания WAIN расширяет модельный ряд соединителей для печатных плат. Соединители серии VME 64X и серии DIN41612 уже доступны для заказа. Полный каталог вы сможете найти на нашем сайте.