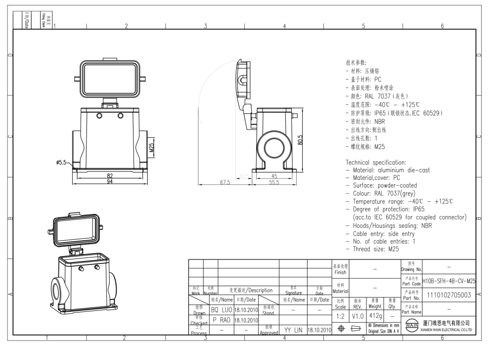
Корпус соединителя - блочная часть H10B-SFH-4B-CV-M25 1110102705003
+7 495 258-7166
Заказать звонок
Компания WAIN расширяет модельный ряд соединителей для печатных плат. Соединители серии VME 64X и серии DIN41612 уже доступны для заказа. Полный каталог вы сможете найти на нашем сайте.